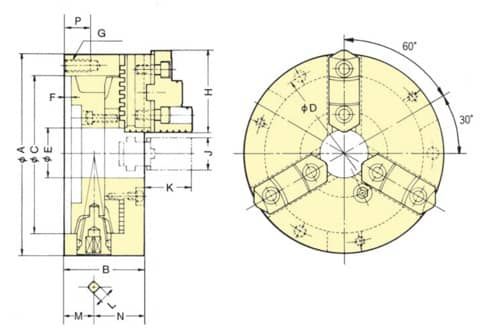
Mâm cặp 3 chấu Kitagawa Series JN-T.
| Model | JN06T | JN07T | JN09T | JN10T | JN12T | |
| Phạm vi kẹp (mm) Min. – Max. | Kẹp bên ngoài | 3 – 160 | 4 – 180 | 5 – 220 | 5 – 260 | 10 – 300 |
| Kẹp bên trong | 55 – 150 | 62 – 170 | 70 – 210 | 80 – 250 | 90 – 290 | |
| Xử lý mô-men xoắn (N · m) | 88.3 | 107.9 | 147 | 176.5 | 206 | |
| Lực kẹp tĩnh Tối đa (kN) | 31 | 31 | 37 | 46 | 55 | |
| Tốc độ tối đa (min-1) | 4000 | 3500 | 2900 | 2500 | 2200 | |
| Mô men quán tính (kg · m2) | 0.033 | 0.063 | 0.163 | 0.265 | 0.588 | |
| Trọng lượng (kg) (với hàm trên mềm) | 9 | 13 | 22 | 29 | 43 | |
| Hàm phù hợp | Hàm mềm | SBS06 | SBS07 | SBS09 | SBS10 | SBS12 |
| Hàm cứng | HBS06C | HBS07C | HBS09C | HBS10C | HBS12C | |




0968.40.31.38
Chat Zalo
Chat Facebook