Mâm cặp BL200 series là loại mâm cặp có hành trình chấu kẹp lớn.
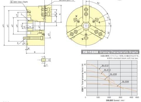
| Mẫu | BL-206 | BL-208 | BL-210 | BL-212 | ||
| Đường kính lỗ tâm (mm) | 28 | 45 | 53 | 63 | ||
| Phạm vi cặp (mm) | Tối đa. | 165 | 215 | 254 | 304 | |
| Tối thiểu. | 24 | 26 | 33 | 36 | ||
| Hành trình chấu (đường kính) (mm) | 20 | 25 | 30 | 35 | ||
| Hành trình Plunger (mm) | 15 | 19 | 22 | 25 | ||
| Max. Draw Bar Pull Force (kN) | 27.9 | 41.1 | 53.8 | 69.3 | ||
| Lực kẹp tĩnh Max. (kN) | 31.2 | 49 | 63 | 80.4 | ||
| Tốc độ quay Max. (min-1) | 4500 | 3300 | 3000 | 2200 | ||
| Momet quán tính (kg・m2) | 0.043 | 0.198 | 0.306 | 0.918 | ||
| Khối lượng (kg) (với chấu mềm) | 14 | 25 | 45 | 78 | ||
| Loại Xylanh kết nối | S1246 | S1552 | S1875 | S2091 | ||
| Loại chấu mềm phù hợp (*) | Standard Extra Tall | Standard Extra Tall | Standard Extra Tall | Standard Extra Tall | ||
| Loại chấu cứng phù hợp (*) | HB06A1 HB06B1 | HB08A1 | HB10A1 | HB12N1 | ||




0968.40.31.38
Chat Zalo
Chat Facebook