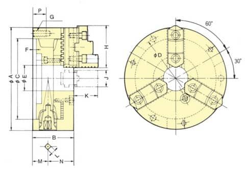
北川系列 JN-T 三爪卡盘。
| 模型 | JN06T | JN07T | JN09T | JN10T | JN12T | |
| 最小夹紧范围 (mm) - 最大限度。 | 外部夹具 | 3 – 160 | 4 – 180 | 5 – 220 | 5 – 260 | 10 – 300 |
| 夹在里面 | 55 – 150 | 62 – 170 | 70 – 210 | 80 – 250 | 90 – 290 | |
| 操纵扭矩(N·m) | 88.3 | 107.9 | 147 | 176.5 | 206 | |
| 最大静态夹紧力 (kN) | 31 | 31 | 37 | 46 | 55 | |
| 最大速度(min-1) | 4000 | 3500 | 2900 | 2500 | 2200 | |
| 转动惯量(kg·m2) | 0.033 | 0.063 | 0.163 | 0.265 | 0.588 | |
| 重量(kg)(带软上颌) | 9 | 13 | 22 | 29 | 43 | |
| 匹配功能 | 软下巴 | SBS06 | SBS07 | SBS09 | SBS10 | SBS12 |
| 下巴僵硬 | HBS06C | HBS07C | HBS09C | HBS10C | HBS12C | |




0968.40.31.38
Chat Zalo
Chat Facebook