夹紧精度 0.01 mm T.I.R. 或小于注4
减少下巴抬起
可与北川 B-200 和 BB200 系列互换
借助 Tnut-Plus 可选的专用 T 型螺母,钳口拆卸和连接的重复精度为 0.01 毫米 T.I.R。 或小于注4
描述: 夹紧精度 0.01 mm T.I.R 或更小。
减少下巴抬起。
可与北川 B-200 和 BB200 系列互换。
借助 Tnut-Plus 可选的专用 T 型螺母,钳口拆卸和连接的重复精度为 0.01 毫米 T.I.R。 或更少。
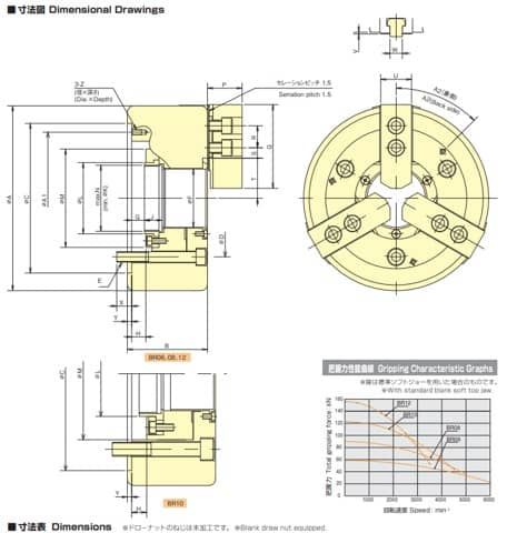
| 样本 | BR06 | BR08 | BR10 | ||
| 通孔(毫米) | 53 | 66 | 81 | ||
| 夹持范围(毫米) | Max. | 170 | 210 | 254 | |
| Min | 16 | 22 | 31 | ||
| 钳口行程(直径)(mm) | 5.5 | 7.4 | 8.8 | ||
| 柱塞行程(毫米) | 12 | 16 | 19 | ||
| 最大限度。 牵引杆拉力(kN) | 23 | 35 | 49 | ||
| 最大限度。 静态握力(kN) | 58.5 | 90 | 123 | ||
| 最大限度。 速度(min-1) | 6000 | 5000 | 4500 | ||
| 转动惯量(kg·m2) | 0.052 | 0.14 | 0.32 | ||
| 净重(公斤)(含软火腿) | 12.8 | 22.2 | 35.8 | ||
| 适用气缸 | SR1453C SS1453K | SR1566C SS1666K | SR1781C SS1881K | ||
| 软爪接头 注)不含爪安装螺栓。 | Standard Extra Tall | Standard Extra Tall | Standard Extra Tall | ||
| 硬爪接头 注)不含爪安装螺栓。 | HB06A1 HB06B1 | HB08B1 HB08N1 | HB10AA1 | ||




0968.40.31.38
Chat Zalo
Chat Facebook